SHD-Eホッパードライヤーはプラスチック補助設備として、PS、PP、ABSなどほとんどの非吸湿性樹脂の乾燥に使用でき、最高乾燥温度は160℃です。 この熱風乾燥機は機能性を向上させるいくつかのオプション機能を備えています。例えば熱風を再利用するシステム、原料から鉄粉などの不純物の濾過するシステム、床置き用スタンドなどをご用意しています。
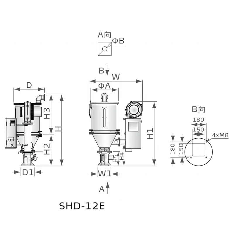
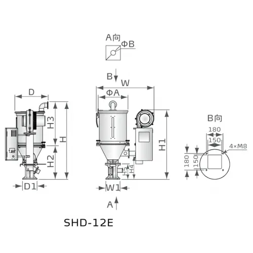
| モデルSHD- | |||||||||||
| ヒータ(kW) | 2.2/3* | 3/3.3* | 3.9/4.2* | 4.2/4.8* | 6/6.6* | 6.6/7.2* | 12/15* | 15 | 18 | 19.5 | 21 |
| ブロワ (kW) | 0.1 | 0.17 | 0.17 | 0.17 | 0.2 | 0.2 | 0.35 | 0.35 | 0.45 | 0.45 | 1.03 |
| 仕込量(kg) | 12 | 25 | 50 | 75 | 100 | 150 | 200 | 300 | 400 | 500 | 600 |
| H(mm) | 801 | 989 | 1112 | 1247 | 1316 | 1636 | 1852 | 2272 | 1933 | 2383 | 2174 |
| H1(mm) | 676 | 878 | 924 | 937 | 1151 | 1151 | 1573 | 1573 | 1609 | 1609 | 2054 |
| H2(mm) | 321 | 396 | 452 | 463 | 536 | 536 | 634 | 634 | 713 | 713 | 821 |
| H3(mm) | 480 | 593 | 660 | 784 | 780 | 1101 | 1218 | 1638 | 1220 | 1670 | 1354 |
| H4(mm) | 165 | 196 | 204 | 213 | 255 | 255 | 287 | 287 | 287 | 287 | 344 |
| H5(mm) | 107 | 150 | 150 | 150 | 173 | 173 | 194 | 194 | 205 | 205 | 245 |
| W(mm) | 646 | 728 | 787 | 874 | 996 | 996 | 1183 | 1183 | 1339 | 1339 | 1510 |
| D(mm) | 342 | 413 | 508 | 555 | 627 | 627 | 753 | 753 | 893 | 893 | 1033 |
| D1(mm) | 108 | 158 | 158 | 158 | 177 | 177 | 230 | 230 | 280 | 280 | 280 |
| Wl(mm) | 108 | 148 | 148 | 148 | 177 | 177 | 230 | 230 | 280 | 280 | 280 |
| ⌀A(mm) | 327 | 383 | 478 | 535 | 602 | 602 | 745 | 745 | 897 | 897 | 1050 |
| ⌀B(mm) | 42 | 53 | 53 | 53 | 81 | 81 | 110 | 110 | 116 | 116 | 130 |
| 質量(kg) | 23 | 25 | 37 | 39 | 55 | 56 | 113 | 116 | 132 | 134 | 205 |


熱風リサイクル装置
ホッパードライヤーと組み合わせることで、熱風が半閉鎖循環回路を形成します。この熱風回収装置は以下のような特徴があります。


排気フィルター
排気フィルターは、乾燥機から排出される粉塵の含まれるガスをろ過し、空気の汚染を防ぐために使用され、その効率は最大99%です。
50年以上の製造経験を持つ当社は、プラスチック補助機器の専門メーカーであり、現在では80か国以上の地域でお客様にサービスを提供しています。広範なサービスネットワークにより、どこでも客様に優れたサポートをお届けします。te.